产品中心
product center- 九洲普惠风机 ·多翼型离心通风机 ·环保空调 ·轴流风机 ·油烟净化器 ·离心通风机 ·混合风机 ·工业风扇 ·高压离心风机 ·风机电箱 ·PXG漩涡风机 ·JS方型负压风机
- 迅达真空泵 ·旋片式真空泵 ·罗茨式真空泵 ·滑阀式真空泵 ·水环式真空泵 ·罗茨滑阀一体式机组 ·真空脱泡机 ·真空负压站 ·真空泵配件 ·真空泵油
- 万事达潜水泵 ·井用潜水泵 ·潜水电机 ·家用潜水泵 ·工业污水潜水泵 ·多级潜水泵 ·立式泵 ·卧式泵 ·供水系统 ·控制箱(器)
- 真空箱
- 米风系列产品 ·风幕机系列 · 管道风机系列 ·新风机系列 ·换气扇系列
- 深能空压机
服务咨询热线
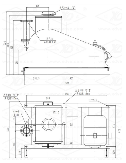
181-2378-82912X-40旋片式真空泵
- 上一篇 > 2X-30旋片式真空泵
- 下一篇 > 2X-70B旋片式真空泵
产品详情
旋片式真空泵(简称旋片泵)是一种油封式机械真空泵,是真空技术中最基本的真空获得设备之一。旋片式真空泵,主要用于抽除密封容器中的干燥气体,但不适宜抽含氧量过高、有爆炸性、含有颗粒尘埃、对金属起腐蚀作用或对泵油起化学反应的气体。旋片式真空泵,可供真空镀膜、压铸、吸塑、电子元件、教学和实验室等各种真空作业使用,普及于治金、机械、军工、电子、化工、轻工、石油及医药等生产领域和科研部门。旋片式真空泵,可以单独使用,也可以与其它高真空泵或超高真空泵(如:增压泵、扩散泵、分子泵)配合作前级泵使用。




外形安装尺寸图
